◎ 型號含義 Type meaning

② 5A,10A
③ 直流控交流 DC-AC (DC input-AC output)
◎ 產品概述 Product overview
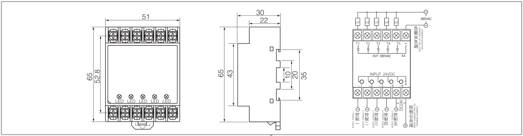
◆ 五組輸入,五組輸出
◆ 額定電流:5A,10Amps
◆ 額定電壓:24-480VAC
◆ 控制電壓:3-32VDC
◆ 控制電流:≤ 10mA
◆ " 超低 " 的輸入電流
◆ 低輸出斷態(tài)漏電流
◆ 低輸出通態(tài)壓降
◆ 具有獨立五路 LED 燈輸出指示
◆ 包含標準輸出的 R-C 緩沖器
◆ 五組獨立通道,自由控制
◆ Five I/O channels
◆ Rated current: 5A,10Amps
◆ Rated voltage: 24-480VAC
◆ Control voltage: 3-32VDC
◆ Control current: ≤ 10mA
◆ "Ultra low" input current
◆ Low output off-state leakage current
◆ Low output on-state voltage drop
◆ Five separate LED output states
◆ Standard output R-C buffer
◆ Each channel is independent of other channels, and all channels are freely controllable
◎ 安裝尺寸及接線圖 Installation dimensions and wiring diagram








